Appelez-nous :
09 71 29 85 23
menu
search
search
person
shopping_basket
0
shopping_basket
0
Chargement...
Votre panier
×
Votre panier est vide
Accueil
royal enfield
Electricité
Electricité & éclairage
Accessoires
Fixations de phare
Éclairage
Optique de phare
Clignotants et petits feux
Interrupteurs
Relais
Contacteurs
Optique de phare
Fusibles et portes fusibles
Fusibles et porte fusibles
Faisceaux et modules
Fils et connecteurs
Klaxons et sirènes
Casquette de phare
Fixations de phare
Feux arrière
Fixations de clignotants
Ampoule , led et voyant
Accessoires d'éclairage
Feux de marquage
Accessoires
Phares
Ampoules
Batterie
Feux arrière
Support de plaque
Electricité moteur
Stator, rotor, régulateur
Génératrice et pièces
Régulateur et système de charge
Stator et rotor
Stator, rotor, régulateur
Allumage
Fils de bougie
Bougie
Allumage
Cache bobine et supports
Boitiers électroniques tuning
Magnéto et pièces
Stator, rotor, régulateur
Allumage et pieces
Cache allumage
Électricité
Démarreur et pièces
Relais de démarreur et pièces
Démarreur
Démarreur et pièces
Partie cycle
Cadre
Kit large
Blocage de direction
Pièces de déport
Kit arrière rigide hardtail
Bras oscillants
Acier de fabrication brut
Pont pour trikes & axes
Stabilisateur de chassis
Supports moteur & bras oscillant
Pièces de bras oscillant
Pièces de béquille
Accessoires de cadre
Crash bar
Pompe
Béquilles
Fourches amortisseurs & accessoires
Goujons & caches-amortisseurs
Fourches
Fourches springer
Accessoires pour fourche springer
Amortisseurs
Tubes de fourche
Fourreaux de fourche
Ressorts de fourche & kit de rabaissement
Plongeurs de fourche
Amortisseurs de direction
Tés de fourche
Accessoires de fourche
Joints spy de fourche
Capotage de fourche
Cache de fourche
Rigidificateur
Huile de fourche
ROULEMENT DE DIRECTION
Bac a batterie
Bac à huile
Accessoires bac à huile
Durites, embouts et colliers
Guidons, commodos & rétroviseurs
Guidons
Poignées
Pièces de guidon
Risers
Silent blocs pour riser
Rétroviseurs
Accessoires de rétroviseur
Commande a la main
levier
maitre cylindre avant
tirage accelerateur
Riser & Cylindre Bloc De Guidon
Selles
Selles
Accessoires de selle
Sacoches, valises, sacs a dos et accessoires
Pare-brises
Sacoche pare-brise
Sissy bars
Porte bagages
Bagagerie
Porte gobelet et bouteille
Support de sacoche
Cadenas, antivols
Compartiment à outils ou de rangement
Clochettes
Jantes & pneus
Pneu, chambre a air et fond de jante
Dimension de jantes-pneus appliquable
Jantes & Pneus
Jantes & Pneus
Cerclage de jante
Jantes
Jante Exel
Jantes Akront
Roue
Roues complètes
Roue a rayons
Roues Ride Wright 50 rayons
Roue PM & RSD forgées
Roue rick's
Roue big spoke
Moyeux
Accessoires de roue et pneus
Roulement de roue , entretoise , joint
Rayons
Roulements de roue, moyeux et caches-moyeux
Tendeur & plaque d'axe
Axes de roue et visserie
Axes
Outils de roue et pneus
Sabots de roue
Outils & Atelier
Freinage
Plaquettes
Disques
Freins couronne et tambour
Etriers de frein
Etriers
Pièces d'étrier
Accessoires ABS
Kit réparation étrier de frein
Liquide de frein
Kit de frein a disque
Pièces de freins
Maître cylindre arrière
Durite et raccord de frein
Kit de refection de maitre cylindre
Electricité & éclairage
Accessoires
Fixations de phare
Éclairage
Optique de phare
Clignotants et petits feux
Interrupteurs
Relais
Contacteurs
Optique de phare
Fusibles et portes fusibles
Fusibles et porte fusibles
Faisceaux et modules
Fils et connecteurs
Klaxons et sirènes
Casquette de phare
Fixations de phare
Feux arrière
Fixations de clignotants
Ampoule , led et voyant
Accessoires d'éclairage
Feux de marquage
Accessoires
Phares
Ampoules
Batterie
Feux arrière
Support de plaque
Carrosserie
Garde boue arrière
Garde boue avant
Accessoires de garde-boue
Sabres
Réservoir
Emblèmes de réservoir
Visserie de réservoirs
Résine de réservoir
Bouchon de réservoir essence , bac a huile
Robinets tuyaux & pompes à essence
Autocollants
bac a huile
accessoire de bac a huile
Partie cycle
Cadre
Kit large
Blocage de direction
Pièces de déport
Kit arrière rigide hardtail
Bras oscillants
Acier de fabrication brut
Pont pour trikes & axes
Stabilisateur de chassis
Supports moteur & bras oscillant
Pièces de bras oscillant
Pièces de béquille
Accessoires de cadre
Crash bar
Pompe
Béquilles
Fourches amortisseurs & accessoires
Goujons & caches-amortisseurs
Fourches
Fourches springer
Accessoires pour fourche springer
Amortisseurs
Tubes de fourche
Fourreaux de fourche
Ressorts de fourche & kit de rabaissement
Plongeurs de fourche
Amortisseurs de direction
Tés de fourche
Accessoires de fourche
Joints spy de fourche
Capotage de fourche
Cache de fourche
Rigidificateur
Huile de fourche
ROULEMENT DE DIRECTION
Bac a batterie
Bac à huile
Accessoires bac à huile
Durites, embouts et colliers
Compteurs & consoles
Manomètre d huile
Console de réservoir
Compteurs & comptes tours
Calibrage de compteur
Horloge & thermomètre
Supports de compteur
Entraineur à câble
Voyants indicateurs
Jauge d'huile
Câbles de compteur
Compteur
Commandes aux pieds et accessoires
Reposes pieds
ACCESSOIRE DE REPOSE PIED
Accessoires de sélecteur
Commandes avançées
Plate forme
Pédale de frein et supports
Embrayage au pied
Pièces de sélection
Electrique & air shifters
Commandes centrales
Commandes reculées
Support de repose pied
Sélecteurs
Moteur
Pièces pour bielles
Pièces culasses
Culasses
Pistons et segments
Vilebrequin et pièces
Moteur complet
Bielles
Cylindres
Soupapes guides & sieges
Siège de soupape
Ressorts de soupape et pièces
Guide de soupape
Kit moteur
Moteur
Pistons et segments
Distribution
Accessoires pour arbre a cames
Distribution
Roulement d'arbre à came
Carter moteur
Carters et caches
Carter de distribution
Pièces carter
Pièces de balanciers pour twin cam
Pompe à huile, support de came & distribution
Pompe à huile
Cache culbuteur
Poussoirs & pieces de poussoirs
Pièces de poussoirs
Embases de poussoirs
Cache embase de poussoirs
Tiges de culbuteur
Tubes de tiges de culbuteurs et cache
Visserie pour cylindres et pièces stroker
Kit de decompresseur
Pièces de culbuteur
Pièces de flathead
Arbre a came
Arbre a cames pour milwaukee eight
Arbre a cames pour évolution sportster
X-Wedge parts
Arbre a cames pour indian et victory
Arbre a cames pour twin cam
Arbre a cames pour flat, pan et shovelhead
Arbre a came
Arbre a came pour evo big twin
Fixations moteur
Radiateurs d'huile et pièces
Durite de remonte d huile
Huile, filtres à huile & chimique
Produit chimique pour joints liquide
Huile moteur
Kit de vidange
Echappement
Accessoire échappement
Silencieux
Accessoire échappement
Accessoires échappement
B-STOCK
Câbles & durites hydrauliques
Kits câbles
Câbles
Accessoires de câbles
Visserie
Visserie
Visserie freinage
Visserie freinage
Vis de disque
Vis de vidange
visserie culasse
Admission
Pièces carburateur
Carburateur
Accessoires pour injection
Pipe d'admission
Catalyseur d'essence
Boitiers electronique d'admission
Boitier electronique d'admission
Filtre à essence
Pièces carburateur
Robinets tuyaux & pompes à essence
Accessoires
filtre a air
élément de filtre a air
pieces de filtre a air
pieces de starter et cables de starter
boitier injection et cartographie
Primaire & embrayage
Embrayage et pièces embrayage
Carters Primaires & Caches
Carter primaire et cache
Primaire et embrayage
Embrayage fin 84-1990 sportster
Pièces de kit courroie
Kit de déport
Chaîne et tendeur primaire
Embrayage 45ci
Embrayage de 1952-1956 k et 1957-1970 sportster
Pièces internes primaire
Kit embrayage barnett pour xg street
Embrayage sportster 1971-début 84
Embrayage fin 84-1990 sportster
Embrayage boite 5 évolution sportster 1991 au présent
Embrayage sportster 1971-début 84
Embrayage pan america et sportster s 2021au présent
Embrayage v rod
Embrayage big twin boite 4 et premiers boite 5
Embrayage boite 5 big twin fin 1984-1989
Embrayage big twin 1990-1997
Embrayage évolution big twin 1998-2000 et twin cam 1999-2017 standard
Embrayage ASSIT & SLIP 2013-2017 twin cam & milwaukee eight à partir de 2017
Embrayage Victory
Embrayage Indian
Pièces internes primaire
Carter primaire et cache
Transmission secondaire
Ecrou de sortie de boite
Cache poulie
Pignon de sortie de boite
Chaîne secondaire
Poulie sortie de boite
Poulie de transmission et pièces
Visserie pour courronne et poulie
Courroie et kits courroie
Tailles et longueur de courroies
Pare chaîne et pare courroie
Produit de maintenance
Couronne arrière
Kit de coversion en chaine
Derby cover et trappe de visite
Pignon, arbre, extension-set entretoise primaire
Kit courroie primaire
Transmission secondaire
Kit chaine
Chaîne secondaire
Pare-chaîne / pare courroie
Boite à vitesse
Conversion de boite sortie à droite big twin
Kit marche arrière
Boite 4 vitesses
Boite 5 vitesses
Boite 6 vitesses
Boite sortie à droite
Pièces de boite à vitesse 45 ci
Pièces de boite 4 vbig twin
Pièces de boite 5 big twin
Conversion de boite sortie à droite big twin
Conversion boite 5 en 6 pour big twin
Pièces boite 6 de 2006 au présent
Pièces de boite 4 sportster
Pièces de sélection pour sportster
Kit-kick et pièces
Couvercle de boite à droite
Jockey shift
Huile de boite
Pièces de boite 5 sportster
Poulie , pignon
Embrayage
Pièces de boite 5 sportster
Huile de boite
Joints
Joints et pochettes de joints moteur
Joints spéciaux et big bore
Joints pompe à huile
Joints pour big twin
Joints de boite à vitesse
Clavettes moteur
Joints et spys
Joints de pipe d'admission
Joints de queue de soupapes
JOINTS POUR CARBURATEUR CV
JOINT PIPE ADMISSION
JOINTS PRIMAIRE
joints haut moteur
joints carter de distribution
Electricité moteur
Stator, rotor, régulateur
Génératrice et pièces
Régulateur et système de charge
Stator et rotor
Stator, rotor, régulateur
Allumage
Fils de bougie
Bougie
Allumage
Cache bobine et supports
Boitiers électroniques tuning
Magnéto et pièces
Stator, rotor, régulateur
Allumage et pieces
Cache allumage
Électricité
Démarreur et pièces
Relais de démarreur et pièces
Démarreur
Démarreur et pièces
Accueil
Moteur
Arbre a came
X-Wedge parts
ok
Filtrer par
Prix
Ventes, ordre décroissant
Pertinence
Nom, A à Z
Nom, Z à A
Prix, croissant
Prix, décroissant
Par page : 24
Par page : 48
Par page : 96
Filtrer
view_module
view_list
visibility
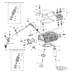
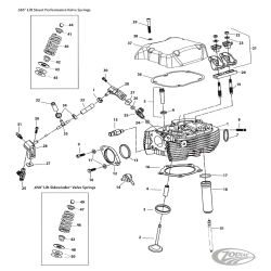
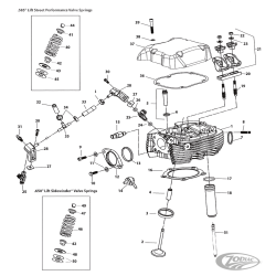
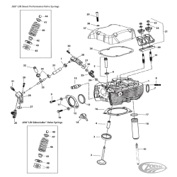
CYLINDERS & PISTONS FOR X-WEDGE ENGINES
162,37 €
Ajouter au panier
visibility
CYLINDERS & PISTONS FOR X-WEDGE ENGINES
15,07 €
Ajouter au panier
visibility
CYLINDERS & PISTONS FOR X-WEDGE ENGINES
37,43 €
Ajouter au panier
visibility
CYLINDERS & PISTONS FOR X-WEDGE ENGINES
9,32 €
Ajouter au panier
visibility
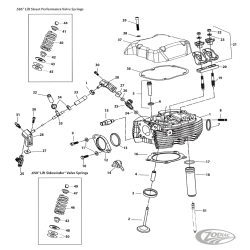
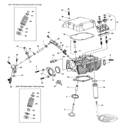
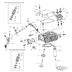
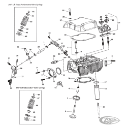
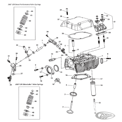
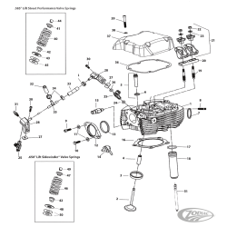
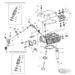
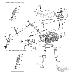
CYLINDER HEADS & PARTS FOR X-WEDGE ENGINES
52,42 €
Ajouter au panier
visibility
CYLINDER HEADS & PARTS FOR X-WEDGE ENGINES
61,70 €
Ajouter au panier
visibility
CYLINDER HEADS & PARTS FOR X-WEDGE ENGINES
104,87 €
Ajouter au panier
visibility
CYLINDER HEADS & PARTS FOR X-WEDGE ENGINES
100,78 €
Ajouter au panier
visibility
CYLINDER HEADS & PARTS FOR X-WEDGE ENGINES
39,28 €
Ajouter au panier
visibility
CYLINDER HEADS & PARTS FOR X-WEDGE ENGINES
91,75 €
Ajouter au panier
visibility
CYLINDER HEADS & PARTS FOR X-WEDGE ENGINES
27,49 €
Ajouter au panier
visibility
CYLINDER HEADS & PARTS FOR X-WEDGE ENGINES
19,62 €
Ajouter au panier
visibility
CYLINDER HEADS & PARTS FOR X-WEDGE ENGINES
18,77 €
Ajouter au panier
visibility
CYLINDER HEADS & PARTS FOR X-WEDGE ENGINES
6,97 €
Ajouter au panier
visibility
CYLINDER HEADS & PARTS FOR X-WEDGE ENGINES
13,04 €
Ajouter au panier
visibility
CYLINDER HEADS & PARTS FOR X-WEDGE ENGINES
8,53 €
Ajouter au panier
visibility
CYLINDER HEADS & PARTS FOR X-WEDGE ENGINES
6,97 €
Ajouter au panier
visibility
CYLINDER HEADS & PARTS FOR X-WEDGE ENGINES
147,82 €
Ajouter au panier
visibility
CYLINDER HEADS & PARTS FOR X-WEDGE ENGINES
6,97 €
Ajouter au panier
visibility
CYLINDER HEADS & PARTS FOR X-WEDGE ENGINES
5,82 €
Ajouter au panier
visibility
CYLINDER HEADS & PARTS FOR X-WEDGE ENGINES
23,21 €
Ajouter au panier
visibility
CYLINDER HEADS & PARTS FOR X-WEDGE ENGINES
14,64 €
Ajouter au panier
visibility
CYLINDER HEADS & PARTS FOR X-WEDGE ENGINES
9,76 €
Ajouter au panier
visibility
CYLINDER HEADS & PARTS FOR X-WEDGE ENGINES
9,76 €
Ajouter au panier
keyboard_arrow_left
Précédent
1
2
3
4
keyboard_arrow_right
Suivant
Retour en haut
×
Menu
×
Filtres
×
Chargement...